WST102 is half bridge type load cell, It normally 4pcs work together, It could use on bathroom scale, Pet scale, these small scales, It could also use for the smart electronic products, Like beehive scale, Smart cat litter box and so on
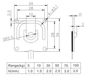
| Rated capacity(half bridge) | 5,10,30,50,,100(kg) |
Temp.effect on zero | ±0.1%F.S/10℃ |
| Comprehensive error | ±0.05%F.S | Temp.range | -10~+40℃ |
| Non-linearity | ±0.05%F.S | Excitation voltage | 3~10VDC |
| Hysteresis error | ±0.05%F.S | Safe overload | 120%F.S |
Repeatability |
±0.05%F.S | Ultimate overload | 150%F.S |
| Creep | ±0.05%F.S/3min | Insuation resistance | ≥2000MΩ(50VDC) |
| Zero output | ±0.3mV/V | Cable | Three color PVC wires |
Input resistance |
1000±10%Ω | Cable length |
φ0.8×450mm |
Outp ut resistance |
1000±10%Ω | Defend grade | IP65 |
| Temp.effect on span | ±0.1%F.S/10℃ | Connection way | Common wire:red wire; Signal+:black wire; Signal-:White wire |
