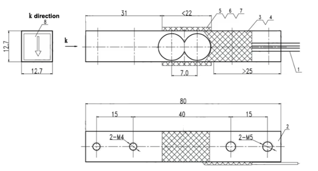
WST103 load cell is hot sale model, It widely used on kitchen scale, retail scale, Postal scales, and other micro electronic weighting systems.

| Capacity | 1kg-50kg |
| Rated output | 1.0 ±0.15 mv/v |
| Accuracy | 0.05 %F·S |
| Comprehensive Error | 0.05 %F·S |
| Creep | ±0.05 %F·S/3min |
| Non-linearity | ±0.05 %F·S |
| Hysteresis error | ±0.05 %F·S |
| Repeatability | ±0.05 %F·S |
| Zero output | ±0.1mv/V |
| Temp. effect on sensitivity | 0.05% F·S/10℃ |
| Temp. effect on zero | 0.2%F·S/10℃ |
| Insulation resistance | ≥ 2000 MΩ |
| Temp. range | -10-+40℃ |
| Excitation voltage | 3~10 VDC |
| Safe overload | 150 %F·S |
| Load cell material | Aluminum alloy |
| Connecting cable | Φ0.8x220mm |